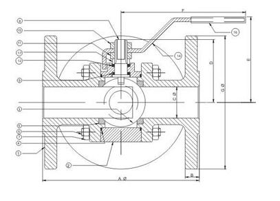
Тхе тросмерни кугласти вентил-од нерђајућег челика има тело вентила од нерђајућег челика и има три прикључка за течност за повезивање улазних, излазних и бочних цевовода. Доступан је уТ-тип, Л-тип и И-типконфигурације.
Главне компоненте укључују тело вентила, кугла, вретена, заптивке и актуатор.
Тхе тело вентила, обично направљен од нерђајућег челика, главна је компонента са три пролаза за течност.
Тхе лопта, критични део, садржи отвор који контролише проток течности ротацијом да би се отворио или затворио пролаз.
Спецификација налога
Тип:Тросмерни{0}}кугласти вентил.
Материјал тела и лопте:Нерђајући челик А351 ЦФ8М.
Седиште: ПТФЕ.
Величина: ДН100.
Оцена: Класа 150 ЛБ.
Рад: полуга.
Табела димензија тросмерног кугличног вентила

|
ПАРАМЕТРИ/ ВЕЛИЧИНЕ |
A |
B |
C |
D |
E |
F |
G |
H |
I |
|
1/2" |
108 |
11.5 |
12.7 |
43 |
64 |
120 |
89 |
70 |
10 |
|
3/4" |
118 |
11.5 |
19 |
47 |
67 |
120 |
98.4 |
76 |
12.7 |
|
1" |
127 |
11.5 |
25.4 |
51 |
70 |
150 |
108 |
80 |
19 |
|
1 1/2" |
165 |
14.5 |
37.5 |
73 |
88 |
175 |
127 |
98 |
30 |
|
2" |
178 |
16 |
50 |
82 |
106 |
225 |
152.4 |
107 |
38 |
|
2 1/2" |
190 |
17.5 |
64 |
100 |
121 |
250 |
178 |
125 |
50 |
|
3" |
203 |
19 |
75.4 |
109 |
130 |
325 |
190.5 |
133 |
57 |
Контактирајте нас за тросмерни куглични вентил од нерђајућег челика са датумом
